Electric Bikes – wheel building
It’s close to 3 years since I started the process of building our electric bikes, going through a decision process, followed by researching suppliers, followed by taking the big leap and ordering a lot of parts.
The major part of the order was the motors, the only part of the conversion that goes into the bike, everything else goes on to it. At the time the best option for us was rear wheel hub motors. If we were doing it again, I would probably choose mid drive motors. However, we chose to buy Bafang (8-Fun) 36V motors, specifically the cassette version. These have worked very well, I have replaced a nylon planetary gear in each motor, but this is just a 30 minute job, and both motors have been great since I did it. Since I got the wiring sorted, the motors and all the other electronic and electrical parts have worked faultlessly.
However, the motors came already laced into wheels. When they arrived I was not very impressed with the quality, I had to get them trued twice when they arrived, the first mechanic had no idea what he was doing, and the second did a great job.
Over the 32 months I have had them I have worked out all the things wrong with them!
Firstly, these rims sell for US$8 each, and I assume they are making some profit on them! They are deep rimmed, black with really ugly decals on them.
Secondly, they are made of substandard materials, over the two years or so, the braking surfaces have worn down to the point where they are too thin, and are buckling.
Thirdly, they were laced in a 2 cross pattern. Given the strength of the hub, this was not required. It also meant that the angle of the spokes into the wheels was much too great, putting a strain on the spoke nipples and the spokes. Several nipples have failed and been replaced.
Fourthly, the wheel and hub combination calls for 233mm spokes, but 230mm spokes were used. This means the spokes do not fully engage into the head of the spoke nipple, causing fracture of the nipples between the head and the shaft, adding to the problems mentioned above.
For the last few months, my back wheel has been deteriorating rapidly, and as well as being out of true, and the brake surface a little buckled, have started to feel a little unsteady around corners. I weigh over 100kgs, the motor is in the back wheels, and 10kg of batteries and panniers sit over the back wheel, so there is a lot of stress on the wheel.
So last week I started the process of repairing the wheel. I spent almost a whole day reading Sheldon Brown’s wheel building page and all the pages it points you towards. I also found Bruce Teakle’s page about building an e-bike wheel. I learned about how to determine spoke sizes, measuring hubs and rims, and different lacing patterns. My main problem was finding a rim to replace the useless one I was using.
Now I love living in New Zealand, but sometimes it can be a real pain, especially when it comes to buying stuff, especially weird stuff. For instance, buying a ‘standard’ 700c rim for a normal bike is almost impossible! Bruce Teakle recommends a Sun Ringle Rhyno lite rim, so with nothing to lose I tried to find a supplier of these. These rims have really great reviews, particularly where the rims are going to be abused by overweight riders etc, so I was quite keen to find one. I finally found a supplier in the US who was prepared to send it to NZ, only to work out that the rim was going to cost US32, but delivery about US$68! This was just too much. Shame, because the effective rim diameter of the wheel is 612mm, which matches my hub and the 230mm spokes exactly!
I have the original wheel off the bike, which is in really good condition, so I measured it up, and calculated the ERD to be 611mm – a bit of a coincidence! Cheered up a bit, I spend an hour or two breaking down both wheels, and building a wheel with the electric hub and the original rim.
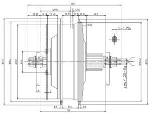
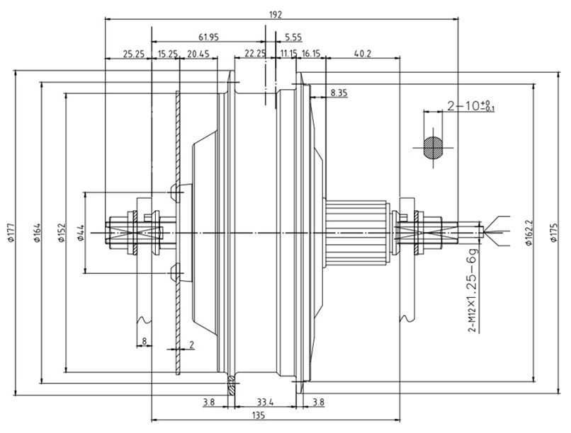
But something was wrong, I was using single cross pattern, so it is a fairly simple lacing – but it just didn’t work. So I checked the spoke lengths – all 230mm give or take, checked the hub matches the diagram provided by the wheel manufacturer (see diagram below) – which it did. Finally, I took the newly laced wheel apart, and measured the rim again, twice – using two different methods. It appears I can’t add up, the actual ERD is 601mm, not 611 – I think I was hoping for it to match the diameter of the Sun Ringle Rhyno lite rim, and just missed a “carry one” doing my sums. So I now need 36 225mm spokes, in 13 gauge. Once again, being in New Zealand strikes again, and I have ordered the spokes from China, with a 2-3 week delivery.
So once again, my bike is off the road for a significant part of the summer.
Below is a picture of the dimensions of my motor, which saved me a lot of awkward measuring.

Leave a Reply